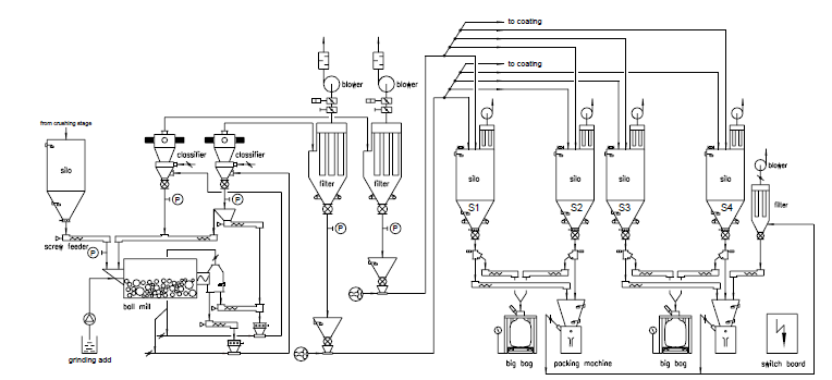
Ball mill with classifiers can produce finesses in the range of d98 4µ - d98 73 µ in capacities of 5 t/h up to 200 t/h. The system can be designed for pneumatically or mechanically transportation.


Thank you for your interests in our company. You can contact our head-office directly, also you can feel free to submit your inquiry to us. Of course, phone is available and you can get help immediately.